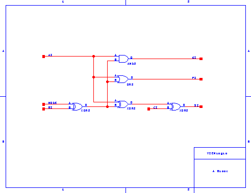
Logic Diagrams

A Block

B Block

B Block 2

Small B Block

Carry Out Block