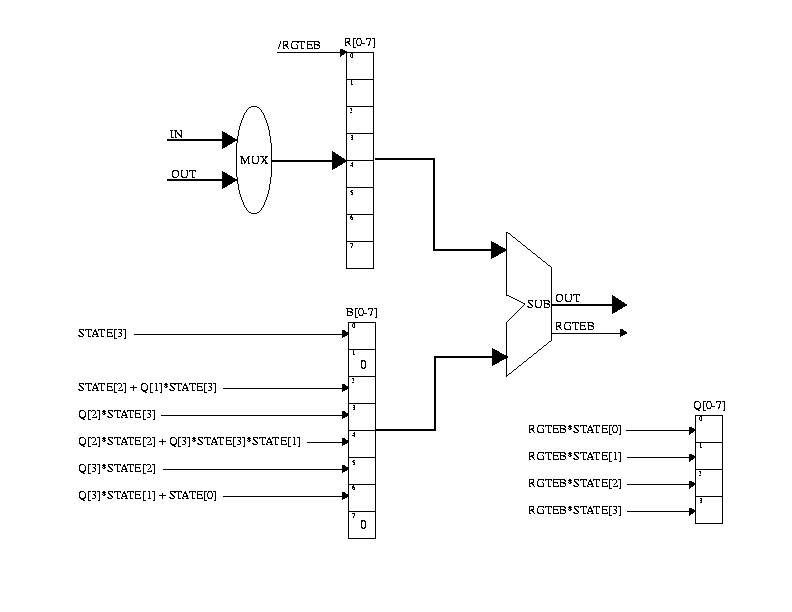
SQRT Algorithm and Logic Diagram
Let's begin with a quick example of decimal square root by hand,
which may remind you of your middle school math teacher. Say, we try to
find the sqrt of 65537(every computer guy knows what 65535 is).

So the answer is 256^2 +1, 1 is the reminder since we will only
manipulate integers.
When expressing the above algorithm in binary, the format can be more
uniform and simpler. See just one example: