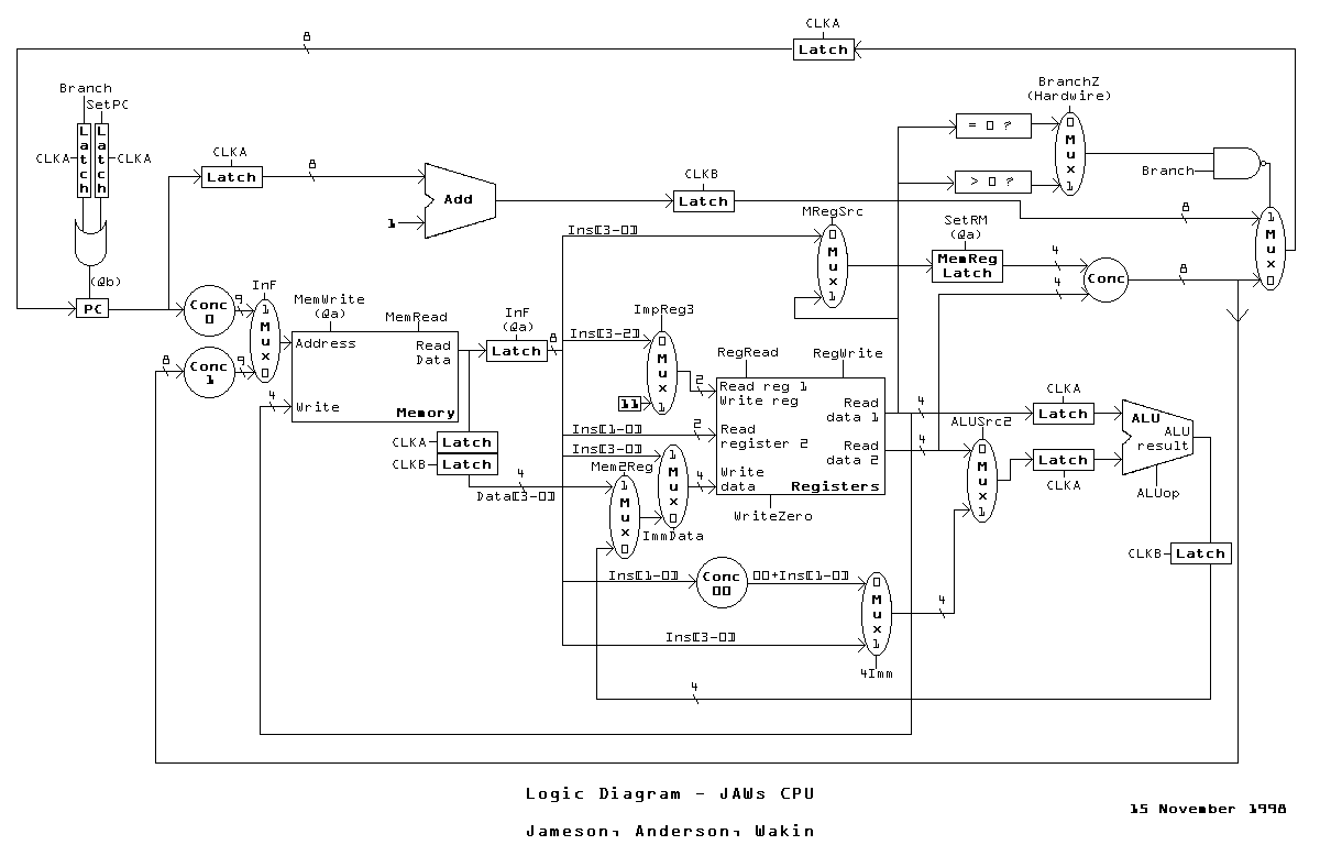
17 November 1998
Added ClearRegs comment at bottom.
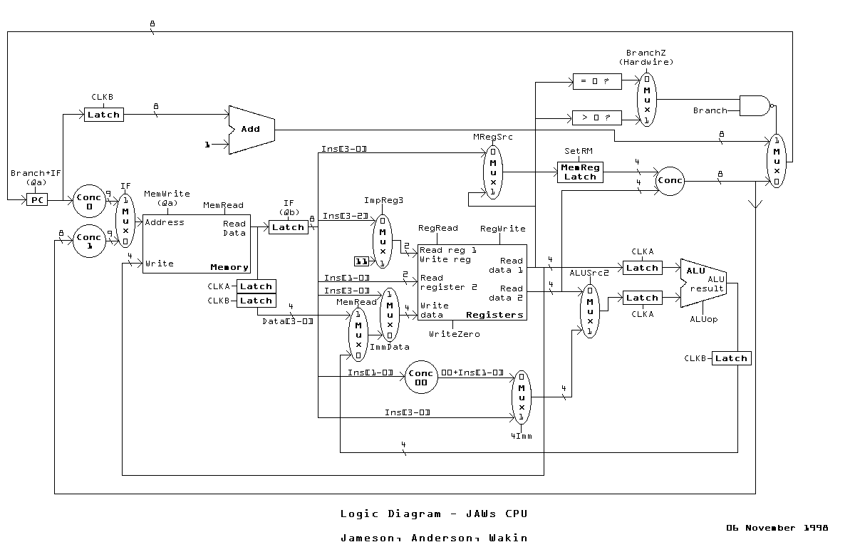
Added a latch clocked on CLKB after the add1 unit.
Added a latch clocked on CLKA in the path from the Branch mux to the PC.
Changed the PC latch to qualified B.
Changed the IF latch to qualified A.
Changed the SetRM latch to qualified A.
Instead of the PC control being Branch+InF, we need to add some more logic.
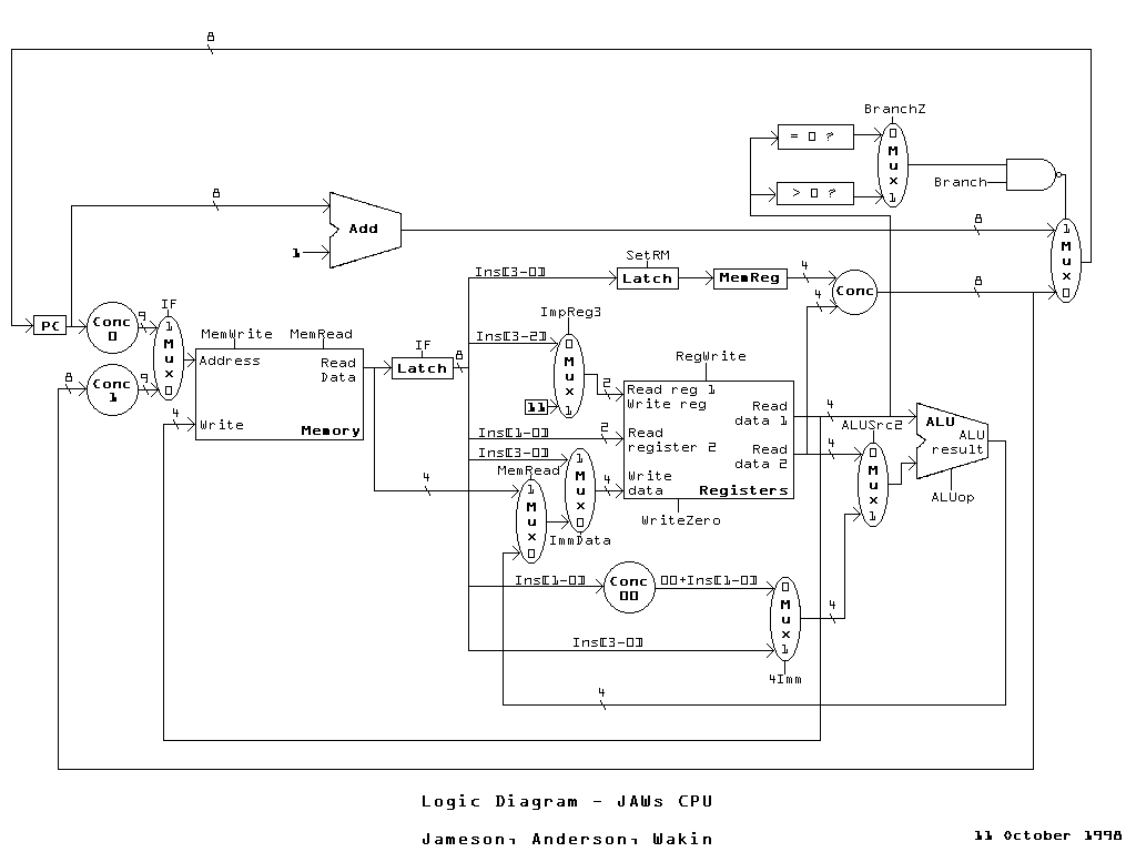
05 November 1998
Bus width labels added.
Branch AND changed to NAND; branch mux labels swapped. Branch logic clarified ("=0?" and ">0?" labels).
PC addder changed from 2 to 1.
Added WriteZero control signal for ZERO instruction.