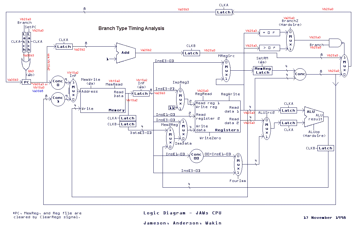
Timing Analysis for Branch Type Instructions

17 November 1998

Back to circuit design.