ELEC 241 Lab

Experiment 5.1

Measuring a Signal's Spectrum

Part 1: The Spectrum of a Sine Wave

The spectrum of a sine wave should be pretty boring. By definition it consists of a single component at the fundamental frequency whose amplitude is equal to the amplitude of the waveform. Nevertheless, it is useful being able to see the amplitude and frequency in a single picture, as well as being able to assess how "pure" (i.e. how truly sinusoidal) the purported sine wave actually is.


Step 1:

Connect the cable from the DAQ card to J3-1 on the rightmost interface module.

Step 2:

Connect the output of the function generator to CH1 of the scope and to A/D input 4 (pin 46 on the bottom interface board socket connector).

Step 3:

Set the function generator to produce a 2 V p-p, 500 Hz sine wave.

Step 4:

Load the "Spectrum Analyzer 2" program from the Start menu by following the path Programs -> Labview -> Spectrum Analyzer 2.

Step 5:

Start the instrument by selecting Run from the Operate menu, or by pressing the run button (the small arrow just below the menu bar). The instrument is divided into a display area (the large black area on the left with green lines and text) and a control area (the gray area on the right). For now, let's concentrate on the display area. It should look something like this:
The top portion is the waveform display. It should be showing a sine wave, just like the scope.

Step 6:

There is some additional information about the signal just above the waveform display. The line labeled "Signal Amplitude" gives three different measurements of the signal amplitude: Vrms: the RMS voltage, dBV: the RMS voltage in decibels relative to 1 V, and Vp-p: the peak-to-peak voltage.

Vary the function generator AMPLITUDE control and verify that these values change appropriately.

Step 7:

Set the AMPLITUDE control so that the signal amplitude is 0 dBV. Press the ATT -20dB button on the function generator. What happens to the signal amplitude?

Step 8:

Release the ATT -20dB and restore the amplitude to 0 dBV.

Step 9:

The lower portion is the spectrum display. You should see a prominent peak at 500 Hz, smaller peaks at multiples of 500, possibly some extraneous peaks (perhaps at 2.7 kHz or 3.3 kHz), and some random fluctuations or "grass" below -80 dB.

Step 10:

Disconnect the function generator. What remains is a noise signal which is being generated within the rest of the system. In this case it has both a random component (the grass) and a periodic component (the 3.3 kHz signal).

Step 11:

Reconnect the function generator. Vary the frequency and observe how the spectrum display changes.

Part 2: Distortion and harmonics



Step 1:

The peaks at multiples of 500 Hz represent distortion of the function generator's sine wave output: if it were a "pure" sine wave, only the fundamental frequency would be present, there would be no harmonics.

Turn the DUTY knob of the function generator fully counter-clockwise and pull it out. Slowly turn it clockwise until the second harmonic begins to increase. This indicates an increase in the distortion of the sine wave caused by increased asymmetry. Can you see the distortion on the scope? (As you continue to increase the duty cycle, the distortion becomes visually apparent.)

Step 2:

Press the DUTY knob back in.

Part 3: The Spectrum of Triangle and Square Waves



Step 1:

The Fourier series of a triangle wave has only odd harmonics, which fall off as \(1/n^2\) (12 dB/octave). Set the function generator to produce a triangle wave and see if this is the case. Are there any even harmonics? If so, why are they there?

Step 2:

The square wave also consists only of odd harmonics, but falling off as 1/n (6 dB/octave). Set the function generator to square wave and observe the spectrum. Depending on the exact frequency you may see a number of extraneous harmonics. These are due to the phenomenon of aliasing which we will examine in Lab 6.

Step 3:

When it starts up, the spectrum analyzer displays magnitude on a logarithmic scale and frequency on a linear scale (i.e. a semilog plot). It is sometimes useful to view the spectrum on a linear or log-log plot. The scale of the axes is controlled by the scale controls in the lower right hand corner of the panel.

While still displaying the spectrum of the square wave, select Linear from the lower selector menu under MAGNITUDE SCALE. Adjust the amplitude if necessary to obtain a good display. Note the hyperbolic shape of the 1/n fall off in magnitude.

Step 4:

Now get a log-log plot by selecting dB for the MAGNITUDE SCALE and Log for the FREQUENCY SCALE. Note that the 1/f fall off is now a "linear" 20 dB/decade slope.

Step 5:

Switch the function generator to triangle wave. Is the slope now 40 dB/decade, as we expect? Set the spectrum analyzer back to linear display (both magnitude and frequency). Note the shape of the spectrum.

Step 6:

Set the function generator to square wave. Pull out the DUTY control and turn it fully clockwise. You should now have a waveform consisting of narrow pulses. Note the shape of the spectrum. It should have the \(\sin(x)/x\) (sinc) shape we saw in class.

Step 7:

Set the spectrum analyzer back to dB magnitude and Log frequency. Press in the DUTY control (turn fully counterclockwise on the Circuitmate).

Part 4: The Spectrum and Frequency Response



Step 1:

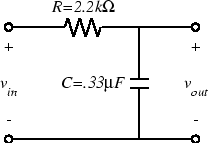
Wire the following circuit:
\includegraphics[scale=0.650000]{ckt5.1.ps}

This is the same circuit we used in Lab 3, so you should have its transfer function in your lab notebook.

Step 2:

Connect the output of the function generator to \(v_\text{in}\). Also connect CH1 of the scope and A/D input 4 to \(v_\text{in}\).

Step 3:

Set the function generator to produce a 50 Hz sine wave at 1 Vrms (0 dBV).

Step 4:

Move CH1 of the scope and A/D input 4 to \(v_\text{out}\).

Step 5:

Increase the frequency of the function generator and observe the behavior of the spectrum display. The tip of the peak corresponding to the fundamental of the sine wave will trace out the magnitude of the transfer function of our circuit. Note that the two numbers above the spectrum display. They give the magnitude and frequency of the largest peak in the spectrum. The "Peak Frequency" readout should correspond to the frequency setting of the function generator.

Since the transfer function falls off as 1/f for high frequencies, we expect the output to fall 6 dB per octave for frequencies well above the cutoff frequency. Check the response at 1 kHz, 2 kHz, and 4 kHz and see how well this holds.

Step 6:

Turn off the function generator.