| |
|

|
Step 1: |
|
Connect the
cable
from the DAQ card to J3-1 on the
rightmost interface module.
It should look like this:

|
Step 2: |
|
Plug your
BNC-banana adapter
into the 6V supply terminals.

|
Note
There is a bump on one side of the adapter to denote which prong
is connected to ground.
Be sure to plug this prong into the black terminal of the power
supply.
|

|
Step 3: |
|
Using a BNC patch cable,
connect the 6 V supply output to J1-3.

|
Step 4: |
|
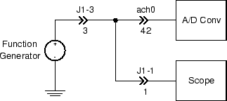
Strip both ends of a 16 cm length of wire and
connect J1-3 to A/D channel 0 as shown in the following
diagram.
The numbers below the connector symbols (
) are the pin numbers on the interface connector socket strip.
Note that, as with the function generator and
oscilloscope, the ground connection to the
DAQ card is made automatically.
We will not show the DAQ card ground in
subsequent drawings.

|
Step 5: |
|
Load the "Basic ADC" program from the
Start menu by following the path:
Programs -> ELEC 243 -> Basic ADC.
It should look like this:
Labview programs are called
Virtual Instruments
(or
VIs
for short).

|
Step 6: |
|
Start the instrument by selecting
Run
from the
Operate
menu, or by pressing the run button (the small arrow just below
the menu bar),
or by pressing CTRL-R on the keyboard with the cursor over the panel.
Vary
the power supply voltage
and verify that the displayed
value changes.
Measure the voltage with your Fluke DMM and see how the values
compare.

|
Step 7: |
|
Move the BNC patch cable from the 6 V supply
to the function generator
50Ω
Output.
With a second BNC patch cable, connect
CH 1
of the oscilloscope to J1-1.
Strip a short piece of wire and connect the
function generator output (on J1-3)
to the oscilloscope input (on J1-1).

|
Step 8: |
|
Verify that you have the following circuit:

|
Step 9: |
|
Using the oscilloscope,
adjust the function generator to produce
a 5 V p-p,
0.5 Hz sine wave.
An easy way to do this is to first select the 1 kHz range,
set the amplitude to 5 V p-p and the frequency to
500 Hz, then switch to the 1 Hz
range.
Observe the signal
on the Basic ADC display.

|
Step 10: |
|
Increase the frequency to 1 Hz.
Note that due to the reduced number of samples
per cycle, the sinusoidal shape
of the waveform is less smoothly
defined.

|
Step 11: |
|
Increase the freqency to 10.00 Hz.
Observe the resulting display.

|
Question 1: |
|
Explain why a 10 Hz sine wave,
when sampled 10 times per second,
appears as a nearly constant (DC) value
on the A/D display.
What would an 11 Hz sine wave
look like under the same conditions?

|
Step 12: |
|
Increase the sample rate to 100 samples per second by
entering "100" into the
Samples/Second
field and pressing the
Enter
key.
Observe the resulting display.

|
Step 13: |
|
Stop the Basic ADC program by pressing the red
STOP
button.

|
Note
Strange things can happen if two VIs are running simultaneously.
Always make sure that all other VIs have been stopped
before starting a new one.
|
|
In the previous part we used a fairly straightforward
process to sample, digitize, and display
analog voltage values.
Although this gives satisfactory results
for low frequency signals,
it's clear we need to be careful when
measuring higher frequency signals.
In this part we will look at a much more sophisticated
VI which combines the functionality of the DMM
and the analog oscilloscope,
and adds a few extra features
| |
|

|
Step 1: |
|
Load the "DMM-Scope" program from the
Start menu by following the path:
Programs -> ELEC 243 -> DMM-Scope.

|
Step 2: |
|
Set the function generator to produce a 100 Hz,
2 V p-p sine wave.

|
Step 3: |
|
Start the DMM-Scope VI.

|
Step 4: |
|
Adjust the
Volts/Div
and
Time/Div
controls to give a satisfactory display.

|
Step 5: |
|
The fields in the lower left portion of the panel are
the DMM function.
These give the DC and AC voltage of the displayed
signal.
Do the values display correspond to what you measure
with the scope and DMM?

|
Step 6: |
|
The bottom field in the DMM section displays the frequency
of the signal. Compare the value displayed here with
the setting on the function generator.

|
Step 7: |
|
Experiment with the controls and different function generator
waveforms.
Are there any situations in which the digital and analog
give significantly different measurements?
If so, describe carefully.

|
Step 8: |
|
Reduce the function generator amplitude to minimum.
Plug the microphone into J1-4
and connect it to A/D channel 4
(pin 4 to pin 46 on the interface connector strip).

|
Step 9: |
|
On the DMM-Scope panel, set the controls as follows:
- A/D Channel = 4
- Volts/Div = 0.005
- Time/Div = 1 ms
- Triggering = Norm

|
Step 10: |
|
Speak into the microphone and
observe the resulting display,
adjusting the controls if necessary.
If musical talent is available,
sing, whistle, play, or otherwise produce the
note "A"
and note the displayed frequency value.

|
Question 2: |
|
Compare the utility of the digital DMM-Scope with
that of the conventional instruments.
Briefly discuss the advantages and disadvantages of each.
Suggest a few situations where one or the other might be
most appropriate.

|
Step 11: |
|
Unplug the microphone and return it to the cart.
|