ELEC 243 Lab

Experiment 8.1

Passive Filters

Components

Part 1: Measuring Transfer Function Manually

Measuring the transfer function of an RC circuit is considerably more involved than measuring the attenuation of a resistive voltage divider. We have to make the measurement at a number of frequencies, and we must measure phase as well as amplitude.

Low Pass Filter We'll start with the simple lowpass filter described in the Background section.


Preparation:

If you haven't already read the Background section, this would be a good time to do so.

Construction:

Wire the following circuit using a 2.2 k$\Omega$ resistor and a .33 $\mu$ F capacitor.

Note
Ceramic capacitors use the same labeling codes as the resistors except that digits are used instead of colored bands, and the units are picofarads (pF) instead of ohms. So a .33 $\mu$ F capacitor would be a 330,000 pF capacitor which would have the code 334 ( $33 \times 10^4$ ).

Connect the function generator to supply $v_{in}$ and the oscilloscope to measure $v_{out}$ .

\includegraphics[scale=0.500000]{ckt3.2.1.ps}
Fig. 7.1: Low-Pass Filter


Testing:

With the function generator set to produce a 100 Hz sine wave, you should see a 100 Hz sine wave of slightly smaller amplitude at $v_{out}$ .

Measurement:

Using the technique described in the prelude, measure the frequency response of the circuit at the following frequencies: 20 Hz, 50 Hz, 100 Hz, 200 Hz, 500 Hz, 1 kHz, 2 kHz, 5 kHz, 10 kHz, and 20 kHz. Plot the magnitude of the transfer function vs. frequency on loglog axes and the phase on semilog axes.

Question 1:

Using Matlab, compute and plot the expected transfer function for the circuit you built. How well does this compare with what you measured?

High Pass Filter. If we exchange the resistor and capacitor in the previous circuit then the change of impedance with changing frequency means that attenuation now decreases with increasing frequency. I.e. we have a high-pass filter.


Construction:

Exchange R and C so that you now have the following circuit:
\includegraphics[scale=0.500000]{ckt3.2.3.ps}
Fig. 7.3: High-Pass Filter


Measurement:

Repeat the measurements you made in Part 1 and plot the transfer function.

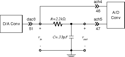
Part 2: Measuring Transfer Function Automatically

The procedure used in the previous Part is a type of stimulus-response measurement: a stimulus (the sine wave) is applied to the input of a system and the resulting response is measured. This is similar to the measurements we made in Experiments 1.4 and 4.2 to determine the i-v characteristics of the light bulb and other circuit elements. Since Labview was able to automate those measurements for us, it should be able to do the same for frequency response measurements.


Construction:

We will use the same arrangement we had in Lab 4, with D/A output channel 0 producing the input signal and A/D input channels 4 and 5 measuring the input and output. Replacing the voltage divider circuit of Lab 4 with our low pass filter, we get:
\includegraphics[scale=0.500000]{ckt4.3.1.ps}


Testing:

Continue to monitor $v_{in}$ and $v_{out}$ as in the previous Part. When the VI is running you should see a sequence of sine waves of increasing frequency at $v_{in}$ and an attenuated version of the input signal at $v_{out}$ .

Measurement:

Load the "Transfer Function" program from the Start menu by following the path: Programs -> ELEC 243 -> Transfer Function. Set the parameters as follows:
  • Flo=20 Hz
  • Fhi=2000 Hz
  • Nsteps=32
  • Amplitude=2 V
  • Magnitude Scale: dB
  • Frequency Scale: Log

Start the program. If all is well, the program will cycle through the frequencies to be measured, displaying frequency, magnitude, and phase at each step. Make a printout of this plot for your lab notebook How do these compare with the plots you made in Part 1?

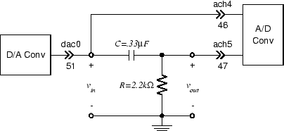
High Pass Filter:

Exchange R and C to convert the circuit to a high-pass filter.
\includegraphics[scale=0.500000]{ckt4.3.2.ps}

Repeat above procedure and produce a plot of the transfer function for this circuit. Compare this with your results from Part 1.