Experiment 3.1

Voltage and Waveform Measurements

Equipment

  • Microphone

Part A: Basic A/D Conversion

  1. Connect the cable from the DAQ card to J3-1 on the rightmost interface module.

  2. Plug your BNC-banana adapter into the 6V supply terminals. There is a bump on one side of the adapter to denote which prong is connected to ground. Be sure to plug this prong into the black terminal of the power supply.

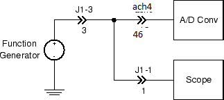
  3. Using a BNC patch cable terminated with a BNC-to-banana adapter, connect the 6 V supply output to J1-3.

  4. Connect J1-3 (pin 3) to A/D channel 4 (pin 46). (The pin numbers correspond to the upper rows of the breadboard where the interface connections are). The circuit you have just created looks like this:

    Note

    With the function generator and oscilloscope, the ground connection to the DAQ card is made automatically. We will not show the DAQ card ground in subsequent drawings.

  5. Download Basic_ADC.vi and open in Labview. It should look like this:

    Note

    Labview programs are called Virtual Instruments (or VIs for short).

  6. Start the instrument by selecting Run from the Operate menu, or by pressing the run button (the small arrow just below the menu bar), or by pressing CTRL-R on the keyboard with the cursor over the panel.

  7. Vary the power supply voltage and verify that the displayed value changes. Measure the voltage with your DMM and see how the values compare.

  8. Move the BNC patch cable from the 6 V supply to the FGEN output. With a second BNC patch cable, connect CH 1 of the oscilloscope to J1-1. Connect the function generator output (pin 3) to the oscilloscope input (pin 1).

    Verify that you have the following circuit:

  9. Adjust the function generator to produce a \(5 V_{pp}\), 0.5 Hz sine wave. Observe the signal on the Basic ADC display and compare with the oscilloscope output. Make sure clock rate and sample rate are set to 10. Take a Labview screenshot for your lab report.

  10. Increase the frequency to 1 Hz. Note that due to the reduced number of samples per cycle, the sinusoidal shape of the waveform is less smoothly defined. Take a Labview screenshot for your lab report.

  11. Increase the freqency to 10.00 Hz. Observe the resulting display.

  12. Explain why a 10 Hz sine wave, when sampled 10 times per second, appears as a constant (DC) value on the A/D display. Take a Labview screenshot for your lab report. What does an 11 Hz sine wave look like under the same conditions?

  13. Increase the sample and clock rate to 100. Observe the resulting display. Take a Labview screenshot for your lab report. Comment on how the Labview waveform changes with increasing sampling and clock rate.

  14. Stop the Basic ADC program by pressing the red STOP button.